HIGH POWER RELAY 2NO 100A 12V DC
In stock 7 pcs
SKU#: FI682290124300
HIGH POWER RELAY 2NO 100A 12V DC
In stock 7 pcs
SKU#: FI682290124300
Finder 68.22.9.012.4300 - a power relay specifically designed for electric vehicle charging stations, for up to 40kW
14,90 €
In stock
Product Information
- Availability In stock
- Manufacturer Finder
- Product path Home Componentselectromechanical-componentsRelaysPower Relays HIGH POWER RELAY 2NO 100A 12V DC
- SKU FI682290124300
- Attributes
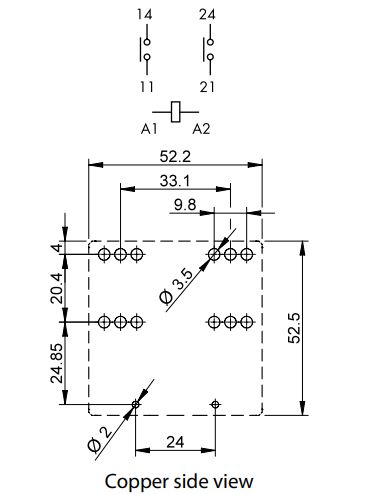
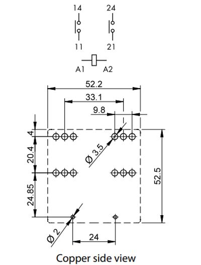
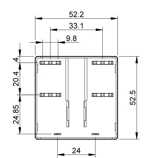
- Operating temperature -40...+85°C
- Voltage class 400V
- Power Class 100A
- Control voltage 12VDC
- Connector type Piirilevylle
- Kela resistance 50ohm
- Number of contacts 2 sulkeutuvaa kosketinta
- Contact surface material AgSnO2
- Pins 5
- Product family Finder 68
- Manufacturer's model 68.22.9.012.4300
- Click for more details https://www.findernet.com/en/worldwide/series/68-series-high-power-relay-100-a/type/type-68-22-high-power-relay-100-a/
- Dimensions 56x52x52 mm




