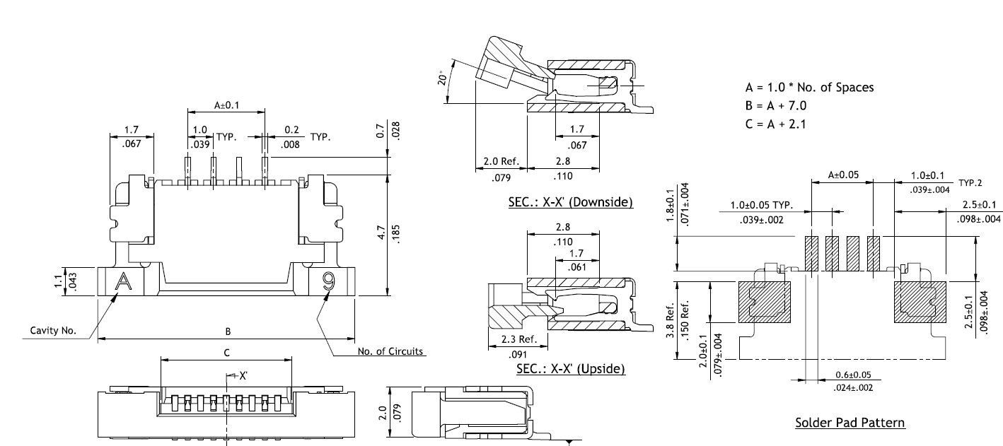
FFC 1,00mm 16pole horizontal smd bottom ZIF tube
In stock over 100 pcs
SKU#: CF20161D0T010
FFC 1,00mm 16pole horizontal smd bottom ZIF tube
In stock over 100 pcs
SKU#: CF20161D0T010
Quantity discount
| Quantity (kpl) | Price | |
|---|---|---|
| 260+ | undefined% | 0,26 € / pcs |
| 520+ | undefined% | 0,19 € / pcs |
0,44 €
In stock
Product Information
- Availability In stock
- Manufacturer Cvilux
- Product path Home Elgood representationsCviluxCvilux CF FFC connectors & cables FFC 1,00mm 16pole horizontal smd bottom ZIF tube
- SKU CF20161D0T010
- Attributes
- Nap lock 16
- Manufacturer's model CF20-16-1D0T0-10
- Delivery time 8 weeks




