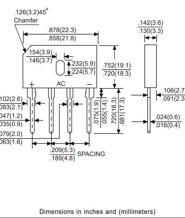
DIODE BRIDGE 4A 800V
In stock 11 pcs
SKU#: GBU8M
DIODE BRIDGE 4A 800V
In stock 11 pcs
SKU#: GBU8M
Quantity discount
| Quantity (kpl) | Price | |
|---|---|---|
| 10+ | undefined% | 2,23 € / pcs |
2,54 €
In stock
Product Information
- Availability In stock
- Product path Home ComponentsActive IngredientsRectifier Bridges DIODE BRIDGE 4A 800V
- SKU GBU8M
- Attributes
- Voltage class 800V
- Power Class 4A



