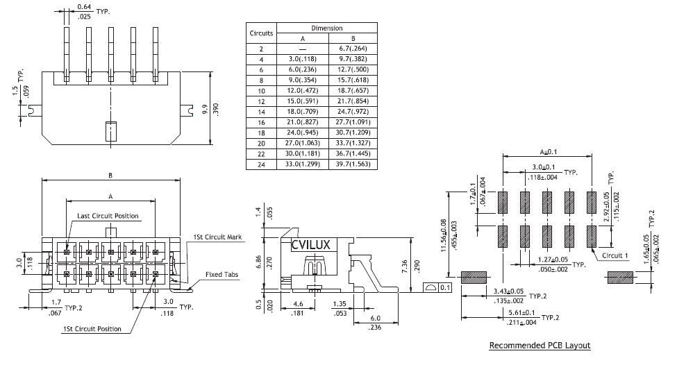
3,0mm 4pole smd male horizontal, smd tabs, Au flash
In stock 8 pcs
SKU#: CP3504PAHST
3,0mm 4pole smd male horizontal, smd tabs, Au flash
In stock 8 pcs
SKU#: CP3504PAHST
Quantity discount
| Quantity (kpl) | Price | |
|---|---|---|
| 1000+ | undefined% | 0,28 € / pcs |
0,70 €
In stock
Product Information
- Availability In stock
- Manufacturer Cvilux
- Product path Home Elgood representationsCviluxCvilux CP35 3.0mm power 3,0mm 4pole smd male horizontal, smd tabs, Au flash
- SKU CP3504PAHST
- Attributes
- Gender uros
- Nap lock 4
- Manufacturer's model CP35-04-PAHST
- Delivery time 8 weeks




