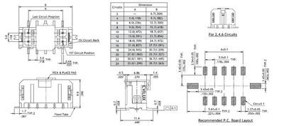
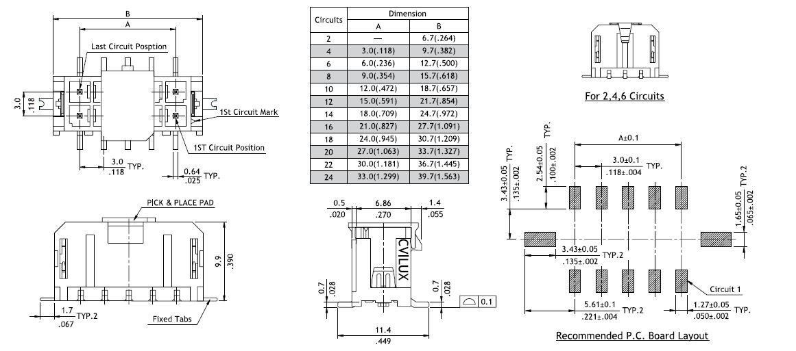
3,0mm 24pole smd male vertical Sn Halogen Free
Temporarily out of stock
SKU#: CP3524P1VSTNH
3,0mm 24pole smd male vertical Sn Halogen Free
Temporarily out of stock
SKU#: CP3524P1VSTNH
1,43 €
Temporarily out of stock in the online store
Product Information
- Availability Temporarily out of stock in the online store
- Manufacturer Cvilux
- Product path Home Elgood representationsCviluxCvilux CP35 3.0mm power 3,0mm 24pole smd male vertical Sn Halogen Free
- SKU CP3524P1VSTNH
- Attributes
- Gender uros
- Nap lock 24
- Manufacturer's model CP35-24-P1VST-NH
- Factory delivery time 8 weeks




