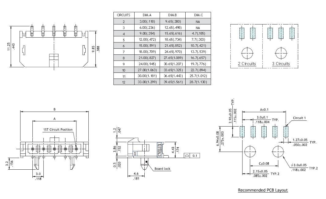
3,0mm 1x9pole smd male horizontal, plastic peg, Sn
In stock 10 pcs
SKU#: CP3509P1HSPSLF
3,0mm 1x9pole smd male horizontal, plastic peg, Sn
In stock 10 pcs
SKU#: CP3509P1HSPSLF
0,73 €
In stock
Product Information
- Availability In stock
- Manufacturer Cvilux
- Product path Home Elgood representationsCviluxCvilux CP35 3.0mm power 3,0mm 1x9pole smd male horizontal, plastic peg, Sn
- SKU CP3509P1HSPSLF
- Attributes
- Gender uros
- Nap lock 9
- Manufacturer's model CP35-09-P1HSPS-LF
- Delivery time 8 weeks




