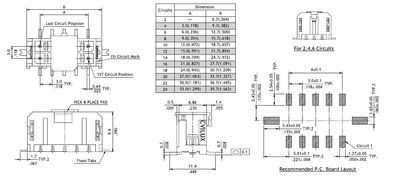
3,0mm 18pole smd male vertical Sn Halogen Free
In stock 15 pcs
SKU#: CP3518P1VSTNH
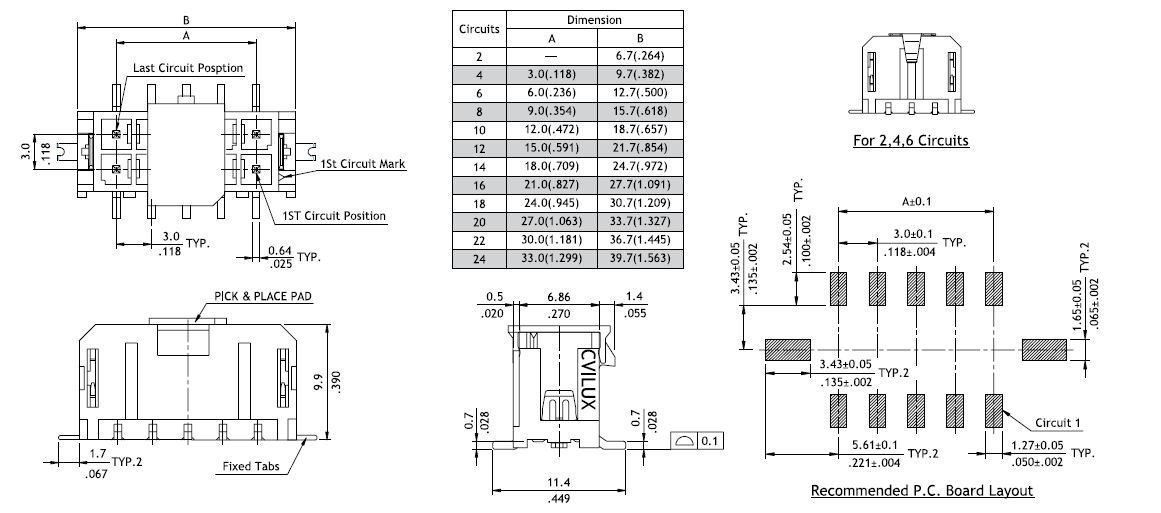
3,0mm 18pole smd male vertical Sn Halogen Free
In stock 15 pcs
SKU#: CP3518P1VSTNH
0,69 €
In stock
Product Information
- Availability In stock
- Manufacturer Cvilux
- Product path Home Elgood representationsCviluxCvilux CP35 3.0mm power 3,0mm 18pole smd male vertical Sn Halogen Free
- SKU CP3518P1VSTNH
- Attributes
- Gender uros
- Nap lock 18
- Manufacturer's model CP35-18-P1VST-NH
- Factory delivery time 8 weeks




