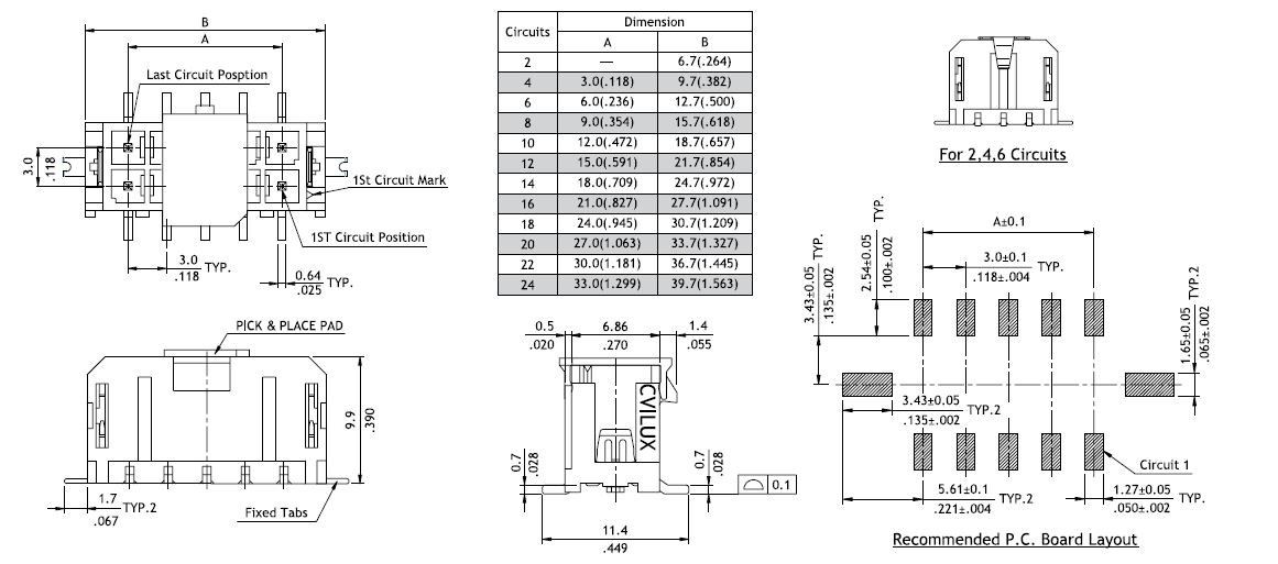
3,0mm 12pole smd male vertical Sn UL 94V-0
In stock 20 pcs
SKU#: CP3512P1VSTLF
3,0mm 12pole smd male vertical Sn UL 94V-0
In stock 20 pcs
SKU#: CP3512P1VSTLF
1,04 €
In stock
Product Information
- Availability In stock
- Manufacturer Cvilux
- Product path Home Elgood representationsCviluxCvilux CP35 3.0mm power 3,0mm 12pole smd male vertical Sn UL 94V-0
- SKU CP3512P1VSTLF
- Attributes
- Gender uros
- Nap lock 12
- Manufacturer's model CP35-12-P1VST-LF
- Delivery time 8 weeks




