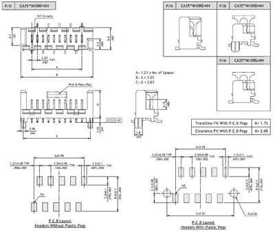
1.27mm Flat Cable conn 24pole smd male h6,4mm w peg tube
In stock 22 pcs
SKU#: CA3524M10TPNH
1.27mm Flat Cable conn 24pole smd male h6,4mm w peg tube
In stock 22 pcs
SKU#: CA3524M10TPNH
1,48 €
In stock
Product Information
- Availability In stock
- Manufacturer Cvilux
- Product path Home Elgood representationsCviluxCvilux CA-series IDC connectors 1.27mm Flat Cable conn 24pole smd male h6,4mm w peg tube
- SKU CA3524M10TPNH
- Attributes
- Gender uros
- Nap lock 24
- Manufacturer's model CA35-24-M10TP-NH
- Delivery time 8 weeks




