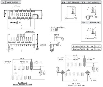
1.27mm Flat Cable conn 14pole smd male h6,4mm w peg tube
In stock 33 pcs
SKU#: CA3514M10TPNH
1.27mm Flat Cable conn 14pole smd male h6,4mm w peg tube
In stock 33 pcs
SKU#: CA3514M10TPNH
0,92 €
In stock
Product Information
- Availability In stock
- Manufacturer Cvilux
- Product path Home Elgood representationsCviluxCvilux CA-series IDC connectors 1.27mm Flat Cable conn 14pole smd male h6,4mm w peg tube
- SKU CA3514M10TPNH
- Attributes
- Gender uros
- Nap lock 14
- Manufacturer's model CA35-14-M10TP-NH
- Delivery time 8 weeks




